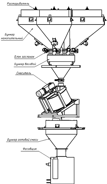
Завод строительных смесей, выполненный по вертикальной схеме. Описание завода. Рабочие компоненты в «Биг-Бэгах» подаются талью на верхнюю площадку. Где разгружаются растаривателями в 4 накопительных бункера. Затем готовится доза в весовом бункере. После чего происходит смешивание компонентов. Продукт попадает в бункер готовой смеси из которого уже расфасовывается по мешкам. Движение продукта сверху вниз осуществляется «самотеком». Процесс контролируется управляющей программой. Производительность завода 6-8 тчас.Состав основного оборудования Наименование Кол-во Растариватель "биг-бэгов" , (объем 2,5 м3) 4 Заслонка с электромеханическим приводом 4 Бункер весовой ,(взвешивание до 1000 кг) 1 Заслонка с пневматическим приводом 1 Смеситель, (0,8 м3) 1 Шиберная заслонка 1 Фасовщик 1 Эстакада 1 Таль электрическая 2
-
-
Завод строительных смесей
Цена не указанаЗаказать
Проектируем и изготавливаем деревообрабатывающее оборудование, оборудование для производства строительных материалов, не стандартное оборудование.



